EN Series
[ Tie rod construction Maximum pressure - 160 bar ]
Cylinder selection guide
Ordering details of EN series Neulogic

Features and specifications
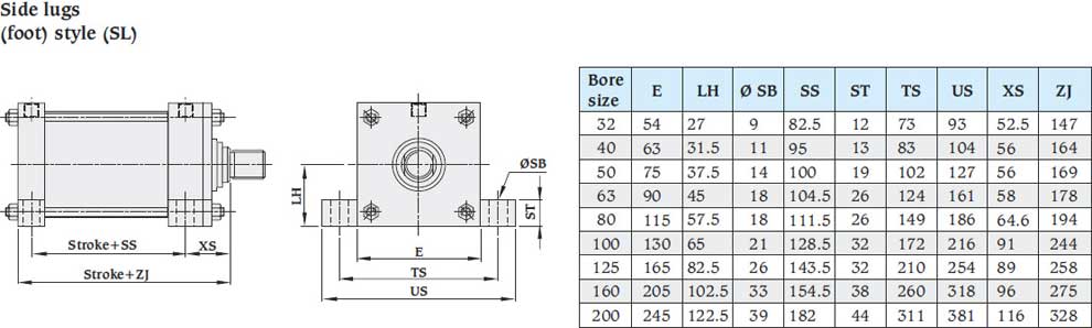
• Standard construction, square head, tie rod design• 10 standard mounting styles available
• Provision for smaller as well as bigger rod diameter for each bore size
• Wide range of mounting accessories
• Bore sizes : 32mm to 200mm
• Strokes available in any practical stroke length
• Maximum working pressure - 160 bar
• Piston rods - 18 mm to 130 mm
• Single and double rod designs
• Cushioning available from 63mm bore onwards only
• Cushions available at either end
• Temperature range : -
20 C to +80 C (standard)
20 C to +150 C (optional)
• Standard fluid : Mineral oil DIN 51524 (HL, HLP)
• Seal types to suit a wide variety of operating environments
All dimensions are in millimeters unless otherwise stated.


