H320 Series
[ Welded round construction
Maximum pressure - 320 bar
roun ]
Cylinder selection guide
Ordering details for H320 series hydraulic cylinder
Features and specifications
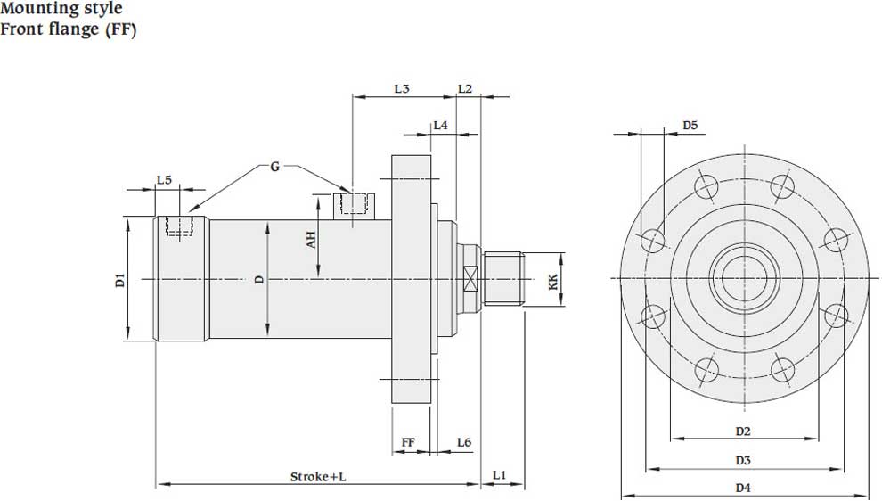
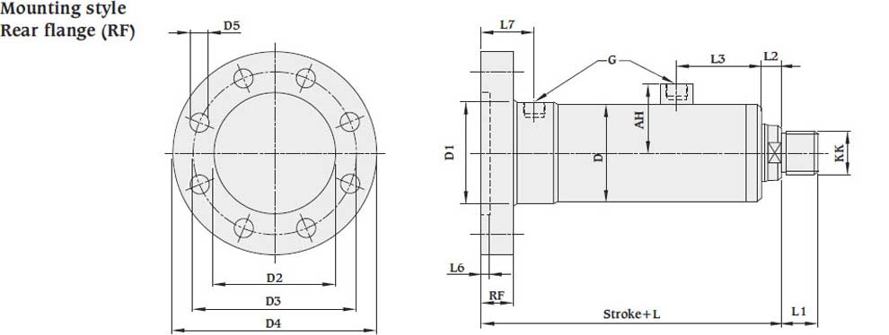
• 5 Standard mounting styles• Provision for smaller as well as bigger rod diameter for each bore size
• Bore size - 80mm to 300 mm
• Strokes available in any practical stroke length
• Maximum working pressure - 320 bar
• Piston rods - 45 mm to 220 mm
• Single rod design
• Non-cushioned
• Temperature range : -
-20 C to + 80 C (standard)
-20 C to + 150 C (optional
• Seal types to suit a wide variety of operating environments
• Standard fluid - Mineral oil DIN 51524 (HL, HLP)
All dimensions are in millimeters unless otherwise stated.


