H50 Series
[ Tie rod construction
Maximum pressure - 50 bar ]
Cylinder selection guide
Ordering details of H50 series Neulogic
Features and specifications
• 9 Standard mounting styles• Bore sizes : 40mm to 150mm
• Piston rods : 16mm to 45mm
• Strokes : available in any practical stroke length
• Maximum working pressure 50 bar
• Single rod designs
• Non-cushioned
• Temperature range : -20 C to +80 C (standard)
• Standard fluid : Mineral oil, DIN 51524 (HL, HLP)
Mounting style
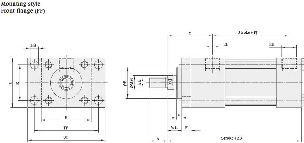
Front flange (FF) Mounting style
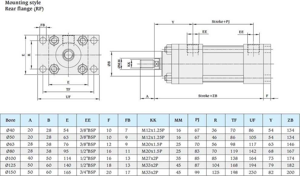
Rear flange (RF) Mounting style
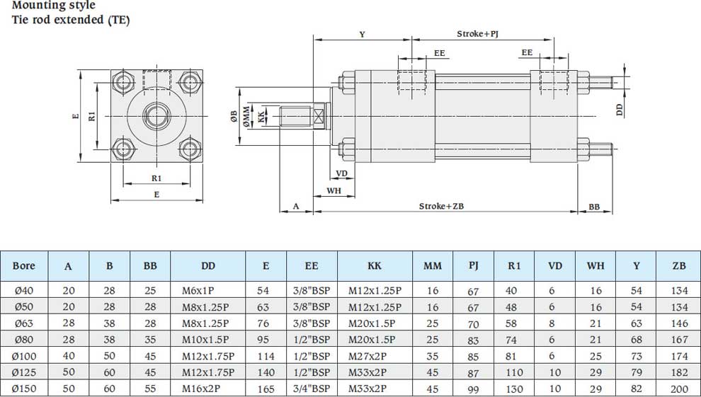
Tie rod extended (TE) Mounting style
Rear eye (RP 3) Mounting style
Rear clevis (RP 1)
Mounting style
Side lug (SL)
Mounting style
Front trunnion (TR 1)
Mounting style
Rear trunnion (TR 2)
Mounting style
Intermediate trunnion (TR 4)
-
All dimensions are in millimeters unless otherwise stated.
-





